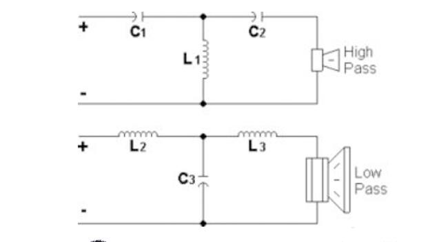
從工作原理看,分頻器就是一個由電容器和電感線圈構成的濾波網。高音通道只讓高頻信號經過而阻止低頻信號;低音通道正好相反,只讓低音經過而阻止高頻信號;中音通道則是一個帶通濾波器,除了一低一高兩個分頻點之間的頻率能夠經過,高頻成分和低頻成分都將被阻止。
看似簡單,但在實踐運用的分頻器中,為了均衡上下音單元之間的靈活度差別,廠家們需依據不同狀況參加大小不一的衰減電阻或是由電阻、電容構成的阻抗補償網絡,不同的設計和消費工藝自然使分頻器這個看似不起眼的元件在音箱中產生了效果不一的影響。而這些細節,是正式HIFI器材必需追求的,這也是HIFI與普通民用設備的根本區別。
音箱分頻器就是能夠將聲音信號的頻率分開,將不同頻段的聲音信號區分開來,然后放大送往相應高低頻段的揚聲器中,實現高低不同音質的效果就是音箱分頻器。
1.分頻器一般故障是電容、電阻、電感燒壞,應換同等數據的。如果燒壞看不到原數據,就只能拆開另一只音箱查看相對應元件數據。找不到同等數據元件,可用串、并聯方式獲得,功率只能大不能小。電感線圈燒壞后只能重新繞制。
2.找~段外徑約為+25mm的塑料管,截取20mm—50mm作為骨架套,在其兩側臨時加兩個直徑大于φ50mm的擋板,按原來線圈匝數,用φ1.0-1.2mm漆包線繞制,繞完后去掉擋板,臨時用漆包線分四個部位將線圈綁定成型,然后浸漆。待線圈干透詹去掉臨時綁扎的漆包線,將其裝到分頻器板上。
低音喇叭電感線圈和變壓器均是用絕緣導線(例如漆包線、紗包線等)繞制而成的電磁感應元件,也是電子電路中常用的元器件之一,相關產品如共膜濾波器等。
電容是表征電容器容納電荷的本領的物理量,非導電體的下述性質:當非導電體的兩個相對表面保持某一電位差時(如在電容器中),由于電荷移動的結果,能量便貯存在該非導電體之中電容(或稱電容量)是表征電容器容納電荷的本領的物理量。
在音箱分頻器中要知道電容電阻電感線圈各有什么作用,首先要知道它們的特性。比如電容是通高頻阻低頻,所以頻率越高越容易通過,所以他的輸出送到高音!電感正好相反,阻高頻通低頻,所以他輸出給低頻。
所以分頻器的電容量較小,阻礙低音頻通過,讓高音或中音頻通過,使喇叭的高音或中音更清晣;電感線圈阻礙高、中頻通過。讓低頻通過使喇叭的低音更混厚;電阻的作用是限流或作為假負載。低音喇叭電感線圈。
低音喇叭電感線圈,如果直流電阻大時,不僅額定損耗增加,揚聲器的電磁阻尼也將減小,使瞬態特性變壞,所以電感線圈的直流電阻要相當小。特別是與揚聲器串聯使用時,電感線圈的直流電阻至少應小于揚聲器阻抗的1/10。為了滿足這一條件,通常使用空心的、非常大的、加進鐵心的線圈。但是,由于鐵心磁導率隨輸入而變化,并且由于磁飽和點低,容易產生失真,所以對材料的性質及形狀進行仔細地研究。主要是使用鐵氧體或硅鋼片。
上圖所示為各種電感線圈的失真特性的例子。鐵氧體的形狀大多使用鼓形或棒形。積層硅鋼片大多使用E形或棒形。應使磁路開路,鐵心的效果應設計得能夠盡量抑制失真。
繞線材料中,導體大多使用銅線,根據銅線絕緣層的種類而有不同的名稱。用作分頻網絡的線圈,大多使用漆包線或聚乙烯絕緣線,它們的絕緣能力和抗藥性優良。在特別需要耐熱性的地方,可以使用聚醋線或聚四氟乙烯線。下圖所示為空心電感線圈與鐵芯電感線圈的對比圖。
想要了解更多電感線圈歡迎咨詢!

-THE END -
版權東莞頤特電子所有 如涉及版權問題請及時聯系處理
電感丨貼片電感丨一體成型電感丨共模電感丨繞線電感丨磁環電感丨功率電感丨電感廠家丨頤特電子